The PTO needs to function well to power the body application while the chassis engine is even at an idle state. Therefore, installing a remote acceleration sensor is the key to enhancing the engine rpm to realize the above matter.


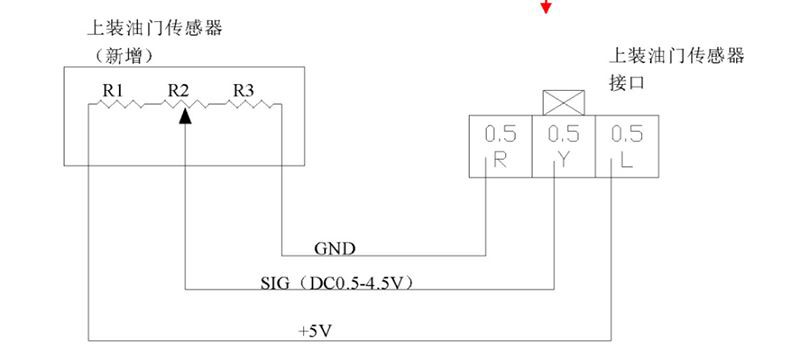
1. The output voltage of the sensor signal should be between DC 0.5 and 4.5V, and 0.5V at idle speed during selecting battery resistance R1 / R2 / R3.
2. It is highly recommended that the sum of R1 / R2 / R3 battery resistances be between 3k-10k.
1. Conditions for the remote acceleration sensor to control the engine:
❶ In parking brake state;
❷ In neutral;
2. The remote acceleration and pedal acceleration sensors can both control the engine rpm. When the output voltage of the remote acceleration sensor increases, the engine rpm rises. Control the output voltage of the remote acceleration sensor between 0.5 and 4.5v; otherwise, the check engine light will be on.
3. Operation:
❶ Before starting the engine, set the sensor in an idle position; after starting the engine, the PTO can only function if the sensor and the engine both are at the required speed.
❷ During the shutdown, disconnect the PTO first, adjust the sensor to the idle state, and turn off the engine.
4. During modification, connect the wire well, and the sensor and the wire’s waterproof are also essential.